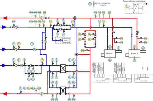
Диспетчеризация теплового пункта
Термоформ Термоформ Строительная компания

Диспетчеризация теплового пункта

Высококвалифицированные специалисты ООО «СК Термоформ» на основании технического задания осуществят монтаж систем автоматизации и диспетчеризации зданий и сооружений с учетом интересов и пожеланий Заказчика.

Системы автоматизации и диспетчеризации

Современные технологии строительства подразумевает наличие большого количества инженерных систем. Вновь строящиеся жилые и административные комплексы, как правило, являются многофункциональными с точки зрения наличия в них жилых, офисных, торговых, развлекательных площадей, автостоянок и т. д.
Эти обстоятельства вынуждают строительные компании использовать для обеспечения наиболее благоприятных и комфортных условий жилых и общественных помещений, достаточно сложные системы вентиляции, отопления и кондиционирования воздуха.
Помимо систем, отвечающих за обеспечение и поддержание комфортных климатических условий на подобных объектах функционирует целый ряд других систем: освещение, противопожарные системы, система безопасности и др. Для обеспечения надежной и безотказной работы этих систем необходимы средства автоматизации и диспетчеризации.
Данные системы (автоматизации и диспетчеризации) позволяют при относительно низких денежных затратах обеспечить высокое качество климатических условий и снизить расходы на эксплуатацию за счет уменьшения энергопотребления и повышения надежности работы оборудования.
Ценность такой системы в том, что Заказчик в дальнейшем сам сможет эксплуатировать такой объект. И стоимость такой системы стоит рассматривать не только стоимостью ее установки, но и стоимостью системы с учетом ее эксплуатации в течение 6 –10 лет, потому что именно такой срок безотказной работы гарантируют производители и что и подтверждается опытом эксплуатации наших объектов.
 Если грамотно подходить к реализации поставленных задач, то можно значительно экономить тепловую энергию за счет эффективного использования самой тепловой энергии и установок. Такая экономия тепловой и электрической энергии снижает себестоимость эксплуатации здания, поскольку расчет с поставщиком тепла и электрической энергии ведется по факту ее использования. При корректной эксплуатации и использования систем автоматического управления возможно достичь снижения расхода тепла на 10–20 % и таким образом достичь экономии эксплуатационных расходов.

Системы автоматизации имеют:

автоматический контроль технологических параметров,
регулирование технологических параметров,
сблокированный пуск электроприводов, входящих в технологическую схему, осуществляемый локальными системами автоматизации, объединенными в дальнейшем в единую систему диспетчеризации и контроля.

Автоматизация, диспетчеризация центральных и индивидуальных тепловых пунктов обеспечивает

Регулирование подачи теплоты в системы отопления в зависимости от изменения параметров наружного воздуха;
Ограничивает максимальный расход воды из тепловой сети на ТП путем перекрытия клапана регулятора теплоты на отопление;
Поддерживает требуемый перепад давлений в подающем и обратном трубопроводе тепловых сетей на вводе ИТП;
Поддерживает заданную температуру воды, которая поступает в систему горячего водоснабжения здания;
Возможно фиксировать различные сезоны – зима, лето, межсезонье – и определить алгоритм работы системы для каждого такого периода
В системе автоматизации реализована очень удобная функция поддержки графика съема тепла, которая нужна для соблюдения температурного графика.

Дополнительно автоматизация и диспетчеризация инженерных систем, обеспечивает функционирование комплекса:

вентиляции;
воздушно-тепловых завес;
контроля загазованности гаража-стоянки (содержание СО);
хозяйственно-питьевого водоснабжения;
холодоснабжения.